Senco onderdelentekeningen
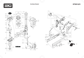
Onderdelen vindt u door de juiste machine te selecteren en op de “zoek knop” te klikken of door in de zoekbalk het volgende in te voeren: naam machine, artikelnummer machine, naam onderdeel of artikelnummer onderdeel. Vervolgens krijgt u de gewenste onderdelentekening te zien met alle beschikbare onderdelen. Bekijk de tekening goed voordat u onderdelen bestelt, want reparaties met behulp van de bestelde onderdelen vallen onder eigen verantwoordelijkheid. Let bij het bestellen op het volgende:
- De gemiddelde levertijd van onderdelen is 1 à 2 weken
- Bestelde onderdelen kunnen niet naar Senco Shop worden teruggestuurd!
(exclusief btw)
